Passenger Elevator
Steel
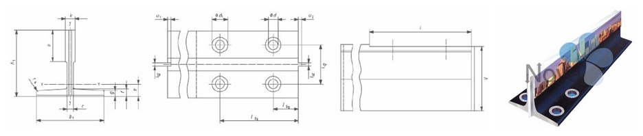
T Type Elevator Guide Rail
Instal in Passenger Elevator
Elevator Shaft Component
100kgs-5000kgs
| Type | b1 | h1 | k | p | rs | l2 | l3 | d | b3 | n | c | f | g | m1 | m2 | u1 | u2 | d | d1 |
| T45/A | 45 | 45 | 5 | 5 | 1 | 65 | 15 | 9 | 25 | - | - | - | - | - | - | - | - | - | - |
| T50/A | 50 | 50 | 5 | 5 | 1 | 75 | 25 | 9 | 30 | - | - | - | - | - | - | - | - | - | - |
| Tolerances | ±1 | ±0.2 | ±0.15 | ±0.5 | - | ±0.2 | ±0.2 | - | ±0.2 | - | - | - | - | - | - | - | - | - | - |
| T70/A | 70 | 65 | 9 | - | 15 | 105 | 25 | 9 | 42 | 34 | 6 | 6 | 8 | 3 | 2.97 | 3.5 | 3 | 13 | 26 |
| Tolerances | ±1 | ±0.1 | +0.1/0 | - | - | ±0.2 | ±0.2 | - | ±0.2 | +3/0 | - | ±0.75 | ±0.75 | - | +0.06/0 | 0/-0.06 | ±0.10 | - | - |
| Type | b1 | h1 | h | k | n | c | f | g | rs | m1 | m2 | u1 | u2 | d | d1 | b3 | i2 | i3 | l |
| Tolerances (standard) | ±1.5 | ±0.75 | ±0.1 | +0.1/0 | +3/0 | - | ±0.75 | ±0.75 | - | +0.06/0 | 0/-0.06 | ±0.10 | ±0.10 | - | - | ±0.2 | ±0.2 | ±0.2 | +3/0 |
| T70/B | 70 | 65 | 64 | 9 | 34 | 6 | 8 | 6 | 1.5 | 3 | 2.97 | 3.5 | 3 | 13 | 26 | 42 | 105 | 25 | 128 |
| T75/B | 75 | 62 | 61 | 10 | 30 | 8 | 9 | 7 | 3 | 3 | 2.97 | 3.5 | 3 | 13 | 26 | 42 | 105 | 30 | 123 |
| T78/B | 78 | 56 | 55 | 10 | 26 | 7 | 8.5 | 6 | 2.5 | 3 | 2.97 | 3.5 | 3 | 13 | 26 | 42 | 105 | 38 | 138 |
| T82/B | 82 | 68.25 | 66.6 | 9 | 26 | 7.5 | 8.25 | 6 | 3 | 3 | 2.97 | 3.5 | 3 | 13 | 26 | 50.8 | 81 | 27 | 111 |
| T89/B | 89 | 62 | 61 | 16 | 34 | 10 | 11.1 | 7.9 | 3 | 6.4 | 6.37 | 7.14 | 6.35 | 13 | 26 | 57.2 | 114.3 | 38.1 | 156 |
| T90/B | 90 | 75 | 74 | 16 | 42 | 10 | 10 | 8 | 4 | 6.4 | 6.37 | 7.14 | 6.35 | 13 | 26 | 57.2 | 114.3 | 38.1 | 156 |
| T114/B | 114 | 89 | 88 | 16 | 38 | 9.5 | 11 | 8 | 4 | 6.4 | 6.37 | 7.14 | 6.35 | 17 | 33 | 70 | 114.3 | 38.1 | 156 |
| T127-1/B | 127 | 89 | 88 | 16 | 45 | 10 | 11 | 8 | 4 | 6.4 | 6.37 | 7.14 | 6.35 | 17 | 33 | 79.4 | 114.3 | 38.1 | 156 |
| T127-2/B | 127 | 89 | 88 | 16 | 51 | 10 | 15.9 | 12.7 | 5 | 6.4 | 6.37 | 7.14 | 6.35 | 17 | 33 | 79.4 | 114.3 | 38.1 | 156 |
| T140-1/B | 140 | 108 | 107 | 19 | 51 | 12.7 | 15.9 | 12.7 | 5 | 6.4 | 6.37 | 7.14 | 6.35 | 21 | 40 | 92.1 | 152.4 | 31.8 | 193 |
| T140-2/B | 140 | 102 | 101 | 28.6 | 51 | 17.5 | 17.5 | 14.5 | 5 | 6.4 | 6.37 | 7.14 | 6.35 | 21 | 40 | 92.1 | 152.4 | 31.8 | 193 |
| T140-3/B | 140 | 127 | 126 | 31.75 | 57 | 19 | 25.4 | 17.5 | 5 | 6.4 | 6.37 | 7.14 | 6.35 | 21 | 40 | 92.1 | 152.4 | 31.8 | 193 |
| Type | b1 | c | f | h1 | h2 | k | m | r1 | a |
| ±1.00 | - | +0.20/ -0.15 | +0/ -0.5 | - | ±0.4 | - | - | +60/ +20" | |
| Tk3 | 75 | 1.8 | 2.2 | 55±0.2 | - | 10±2 | 25 | 5 | 90° |
| Tk5 | 87 | 1.8 | 3 | 60 | - | 16.4 | 25 | 3 | |
| Tolerance | 0/0.7 | - | +0.2/ -0.15 | 0/-0.5 | ±1 | ±0.4 | - | - | +60/+20 |
| Tk3A | 78 | 1.8 | 2.2 | 60 | 10 | 16.4 | 25 | 3 | 90° |
| TK5A | 78 | 1.8 | 3.2 | 60 |
| Contact | Ms. Jessica Sun |
| Web: | novaelevator.en.made-in-china.com novaelevator.en.made-in-china.com |
| novaelevator02 |






